Barre d'acier d'angle
L'acier d'angle peut être composé de divers composants porteurs de contraintes en fonction des différents besoins de la structure et peut également être utilisé comme connecteur entre les composants.
Il est largement utilisé dans diverses structures de bâtiments et structures d'ingénierie, telles que les poutres de maisons, les ponts, les tours de transmission, les machines de levage et de transport, les navires, les fours industriels, les tours de réaction, les supports à conteneurs, les étagères d'entrepôt, etc.
Description
L'acier d'angle est un acier de construction au carbone utilisé dans la construction. Il s’agit d’un matériau en acier à section simple. Il est principalement utilisé pour les composants métalliques et les charpentes de bâtiments d’usine. Il nécessite une bonne soudabilité, des performances de déformation plastique et une certaine résistance mécanique lors de l'utilisation. La billette de matière première pour la production d'acier d'angle est une billette d'acier carrée à faible teneur en carbone, et l'acier d'angle fini est livré dans un état laminé à chaud, normalisé ou laminé à chaud.
Propriété et spécifications
Bonne soudabilité
Propriétés de déformation plastique
Dimension |
10*10mm-200*200mm |
Standard |
GB ASTM, JIS, SUS, DIN, EN, etc. |
Matériel |
Série Q195-Q420 |
Technique |
Laminé à chaud |
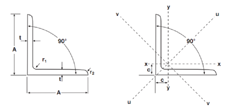
Les spécifications d'acier d'angle couramment utilisées sont exprimées en millimètres avec largeur de côté × largeur de côté × épaisseur de côté, telles que "∟30×30×3", ce qui signifie un acier d'angle équilatéral avec une largeur de côté de 30 mm et une épaisseur de côté de 3 mm.
Il est principalement divisé en deux types : l'acier à angle équilatéral et l'acier à angle inégal. Parmi eux, les cornières d'acier inégales peuvent être divisées en deux types : côtés inégaux et épaisseur égale, et côtés inégaux et épaisseur inégale.
Les spécifications de l'acier d'angle sont exprimées par les dimensions de longueur latérale et d'épaisseur latérale. À l'heure actuelle, les spécifications nationales des cornières d'acier vont de 2 à 20, le nombre de centimètres de longueur latérale étant le nombre. L'acier à même angle a souvent 2 à 7 épaisseurs de côtés différentes.
Généralement, ceux avec une longueur de côté de 1 à 2,5 cm ou plus sont des aciers à grand angle, ceux avec une longueur de côté de 1 à 2,5 cm à 5 cm sont des aciers à angle de taille moyenne et ceux avec une longueur de côté inférieure à 5 cm. sont des aciers à petits angles.
La longueur de livraison des cornières en acier est divisée en deux types : longueur fixe et longueur double. La plage de sélection de longueur fixe des cornières domestiques va de 3 à 9 m selon le numéro de spécification.
Quatre gammes : 4-12 m, 4-19 m, 6-19 m.
La hauteur de la section transversale de l'acier à angle inégal est calculée en fonction de la largeur du côté long de l'acier à angle inégal.
Emballage et livraison




